

【產品簡介】
DBS-300頂擊式振篩機篩具直徑為300mm,同時具備頂擊和回轉運動,頂擊次數為147次/分,頂擊落距為10mm,可配備1-7層篩框,篩分粒度為0.038mm,并具備定時功能,可實現1-99分鐘控制時間.
免費獲取報價
全國統一銷售熱線
DBS-300型頂擊式振篩機系在DBS-200型基礎上改進的,改進后即能具備原型技術性能,又能保證振擊次數穩定可靠,裝夾套篩方便靈活,夾緊牢靠,并能自動停車,根據用戶需要,可篩分多重特性的產品。

該機適用于地質、冶金、化工、建筑、煤炭國防、科研、砂輪制造、水泥等部門的化驗和實驗室對物料進行篩分分析。尤其對建筑業砂石骨料試驗更為理想,可將15KG骨料分二次裝料,每次開機五分鐘,既方便有簡單完成分級工作,受到選用單位的一致好評。
該產品結構先進,性能穩定可靠,歡迎廣大用戶選用。
| 序號 | 名稱 | 單位 | 數值 | |
| 01 | 篩子直徑 | mm | 300 | |
| 02 | 篩子疊高 | mm | 440 | |
| 03 | 篩座振幅 | mm | 8 | |
| 04 | 篩搖動次數 | 次/分 | 221 | |
| 05 | 振機次數 | 次/分 | 147 | |
| 06 | 回轉半徑 | mm | 12.5 | |
| 07 | A07142 | 功率 | 千瓦 | 0.37 |
| 電動機 | 轉數 | 轉/分 | 1400 | |
| 8 | 外形尺寸 | 長*寬*高 | mm | 600*400*880 |
| 9 | 總重量 | 公斤 | 130 | |
DBS-300頂擊式振篩機電動機通過傳動軸,蝸輪帶動擺動架上的主偏心軸旋轉,從而又連帶動其他兩個付偏心軸回轉使整個篩組的擺動得到半徑,也等于偏心距的平面周圍擺動,同時在同一臺電動機帶動另一對蝸輪付通過凸輪,頂桿裝有篩組的擺動架,周期地頂起靠自重下落在機座的砧座上,使擺動架得到平面圓周搖動的同時進行振擊,然后由需要檢測目數的篩框把小于篩網孔徑的物料顆粒篩分至下層篩框,如此層層篩選,使每層試驗篩內只留相同粒度的物料,達到不同粒度的分離并確定此物料的粒度組成。
DBS-300型頂擊式振篩機結構如總圖所示,主要有機座、上蓋、回轉機構、振機機構、夾緊機構與套篩組成,主要結構說明如下:

1、回轉機構:

電動機(1A)帶動傳動軸(140A)與離合體(146A)轉動軸套(145A)上的齒輪(135A),通過齒輪(125A)而帶動齒輪軸(137A)上的小斜齒輪(141A)轉動,小斜齒輪帶動打斜齒輪(97A)使以鍵與之聯接的空心的主偏心軸(74A)旋轉,從而帶動以120°均布于上蓋(3A)上的三個付偏心軸(15A)回轉,使真個活動架得到半徑等于偏心距的正圓平面搖動。
2、振機機構:

在活動架得到正圓平面搖動的時候。通過以螺釘與之固連的主偏心上蓋(70A)帶動打擊軸(109A)回轉,使打擊軸上的上端面凸輪(105A)旋轉,同時齒輪軸(137A)上的齒輪(164A)通過齒輪(157A)(159A)帶動齒輪軸(100A)上的小斜齒輪帶動大斜齒輪(98A)使以鍵與之聯接的下端面凸輪(107A)慢速旋轉,上下端面凸輪同向轉動產生軸向位移,造成打擊軸往上頂起,直到上下平面凸輪缺口處就往下掉而得到振機運動,壓縮彈簧(78A)的作用是增強打擊力量之用。
3、夾緊機構:

旋轉扭緊螺栓(55A)可使退撥螺母(54A)沿軸向移動,使篩蓋固定頂桿(47A)往外伸長從而頂死篩蓋導桿達到固定篩蓋的目的。
4、潤滑系統
DBS-300型頂擊式振篩機結構潤滑簡單,軸承全部用潤滑脂——黃油潤滑而齒輪和銅套與主(付)偏心軸的潤滑都是飛濺潤滑。用20#機油3公斤為宜,注油咀(20A)可在付偏心軸處加注潤滑油,以防飛濺不到。
5、 自動停車裝置
旋轉自動停車裝置(93B)的電源開關接通電源后,由定時器通過中間繼電器控制電動機長期運轉貨定時運轉停止運轉,為了保證安全工作,本機電機托盤裝有接地線螺釘,用戶必須規程接地。
數顯操作方法

將電機線插頭插在程控器插座上,將電源線插頭插在三相線插座上
按下電源開關,顯示屏亮,同時出現300秒。
設定時間:

①根據用戶需要,按輕觸鍵“△”為上調,按“▽”為下調,每按一次“△”“▽”為60秒。
②根據試驗規程設定需要時間,按ON鍵機械開始工作,運行時指示燈亮。
③本儀器在正常工作時,需要停機按OFF鍵。
④每停機一次,應重新設置時間。
⑤注意:使用時不要頻繁開、關機器,停機后應切斷電源。
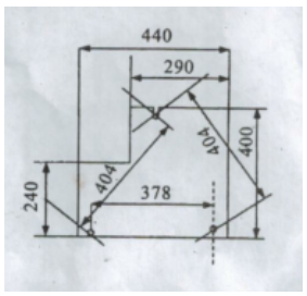
DBS-300型頂擊式振篩機可以不用水泥基礎直接安放水泥地面上開動也可以安裝在水泥基礎上,基礎螺釘尺寸如圖:其厚度300mm。基礎露出嗲面高度及大小或與地面相平,根據具體使用需要而定,按電工規程安裝電路與接地,安裝完畢,接通電源后電動機回轉方向與箭頭相同,就又振機運動,若相反則電機空運轉,此時可換接線頭,方能正常開動。

開機前,擰出(155A)上螺栓,加足潤滑油(用20-4號機油5公斤為宜),裝套篩時先將扭緊螺栓(55A)左旋以松開篩蓋固定頂桿(47A),然后連同篩蓋(43A)往上提,然后右旋固定就可置套篩于篩托盤(62A)上,再將扭緊螺栓左右松開往下壓并右旋使之固緊即可工作,根據工作需要,需要常開可將旋鈕至常開位,需要定時工作可將旋鈕轉至要求定時位,需要途中停機,應切斷電源開關,讓定時鐘自行轉至停止位置,不可強行扭回。
頂擊式振篩機保養簡單,每隔3-6個月更換機油一次,使用時注意避免蓋板上的7根導桿的變形。
1、轉動旋鈕時,不應過快、過猛,以免損壞零件。
2、如要定的時間小于10分鐘,應先使旋鈕轉過10分鐘位置,再擰回到所需的定時位置。
3、必須注意防潮、防腐蝕,使用兩年左右需清洗加油一次。

Copyright ? 2007-2020 新鄉市大漢振動機械有限公司 版權所有
All Rights Reserved 備案序號:豫ICP備09002479號-15